鋼鐵燒結智能控制系統的開發與應用
工業控制系統,被譽為現代工業的“核心大腦”,工控安全是國家安全的重要基礎,是保障國民經濟的關鍵。目前,鋼鐵行業大部分控制系統仍需進口,但工業控制領域軟硬件技術、關鍵核心芯片主要被歐美等國家壟斷,此外,委內瑞拉電網癱瘓、伊朗核安全事故、華為芯片斷供等安全事件如警鐘在耳,嚴重威脅著我國國計民生的“生命線”。因此,開發自主可控國產化控制系統是不可或缺的。
為規避“卡脖子”風險,增強自主可控,遷安九江線材原料廠3#燒結機首次將施耐德PLC系統替換為國產DCS系統NT6000,為國產控制系統在鋼鐵燒結中的應用和推廣提供了很好的實踐和示范作用。
1 燒結工藝簡介
燒結生產工藝是為高爐冶煉提供“精料”,經燒結而成的燒結礦具有足夠強度和粒度可作為煉鐵的熟料,利用燒結熟料煉鐵對于提高高爐利用系數、降低焦比、提高高爐透氣性以及保證高爐運行均有一定意義。
燒結工藝過程包括燒結原料準備、配料、混合料制粒、布料、燒結、燒結產品破碎、冷卻、整粒以及燒結過程除塵等環節,圖1為燒結工藝流程圖。燒結過程是將準備好的礦粉、燃料和熔劑,按一定比例進行配料,然后再配入燒結機尾篩分后的返礦,送入混合機進行加水潤濕、混勻和制粒,得到滿足燒結的混合料;混合料由布料器鋪到燒結臺車上進行點火燒結;燒結過程中依靠抽風機從上向下抽進空氣,燃燒混合料中的燃料,自上而下,不斷進行;燒成的燒結礦,進行破碎篩分,篩上物后進行冷卻和整粒,作為成品燒結礦送往高爐,篩下物為返礦,返礦配入混合料重新燒結;燒結過程產生的廢氣經除塵后,排入大氣。
圖1 燒結工藝流程圖
2 自動化系統
2.1 系統軟硬件介紹
本項目采用南京科遠分散控制系統(DCS),系統以高速工業以太網絡和功能強大的DPU為基礎,軟、硬件均采用了國際標準或主流工業產品,構成開放的工業控制系統。
圖2 NT6000分散控制系統結構圖
NT6000分散控制系統(DCS)由人機接口(MMI)、監控軟件(KView)、控制網絡(eNet)、智能處理單元(DPU)、I/O網絡(eBus)和IO模件等部分組成(如圖2所示)。eNet網絡可支持單/雙網,支持多種網絡結構,1對DPU可最*大支持:24路IO分支,192只I/O模件,約3072個I/O測點。擴展使用可以配置8個網絡域,一個網絡域支持64對DPU,理論可支持總IO點數近100萬點。
NT6000系統軟件包含工程服務器(eNetServer)、系統軟件統一管理平臺(eNetMain)、畫面編輯(GraphMake)、畫面監控(GraphView)、日志服務器(LogServer)、歷史數據庫(SyncBase)、報表記錄管理程序(ReportServer)、報警服務(AlarmServer)等方面。系統采用無服務器架構,各操作站以本地文件為基礎,獨立進行數據采集和監控,節點之間無彼此依賴關系,任一節點異常都不會影響系統穩定運行。
2.2 系統設計
本項目采用環網網絡結構(如圖3所示),1臺2光24電環網單模主網管交換機,6臺環網單模從網管交換機,光纖從主環網交換機出發,最后至主環網交換機。當環網上的某一路鏈路斷開,不會影響網絡上數據的轉發。主交換機位于網絡柜中,另外6臺交換機分別位于:燒結本體、環冷、主抽、篩分、混配及水泵房、機尾除塵。燒結本體使用1對控制器,配置4臺機柜;環冷使用1對控制器,配置2臺機柜;主抽使用1對控制器,配置2臺機柜;篩分使用1對控制器,配置1臺機柜;混配及水泵房使用1對控制器,配置3臺機柜。機尾除塵使用1對控制器,配置1臺機柜。9臺操作員站和1臺工程師站都連接在主交換機上,并采用此交換機通過OPC接口與L2服務器通訊。
圖3 環網網絡結構圖
3 智能控制系統
本項目針對燒結原料與燃料成分、生產過程、被控對象特性開發出燒結智能控制系統,通過建立配料物料關系模型、燒結終點預測模型、燃燒一致性模型、返礦平衡模型等,基于燒結過程多目標優化控制算法,來實現燒結過程的產量質量優化控制,系統架構如圖4所示。
圖4 燒結智能控制系統架構圖
3.1 配料系統集成優化控制模型
(1)燒結礦成分預測模型
混合料中的鐵品位和堿度是燒結礦中相應成分的來源,鐵的含量占燒結礦的絕大部分,而堿度對燒結礦的物理指標,如還原性、硬度和強度有比較明顯的影響,該兩個成分含量的變化無疑有很重要的意義。因此,據以上分析選擇預測值為鐵品位和堿度。考慮到燒結礦化學成分和含量除外的穩定主要受原料參數的影響,與狀態參數關系不大,則利用二配物料關系模型的輸出作為燒結礦化學成分神經網絡預測模型的輸入。
(2)配比優化與控制模型
燒結礦的成分主要受燒結混合料成分的影響,此外,在操作條件一定且各待配制物料成分已知的情況下,燒結礦的成分主要由一配和二配的配比來決定。因此,本系統基于一配和二配的物料關系模型以及燒結礦成分預測模型,以原料成本為優化目標,以燒結礦化學成分為約束,綜合運用線性規劃、專家規則等技術,建立一配、二配配比計算模型和化學成分優化控制模型,從而求取最*佳配比,實現燒結礦鐵品位和堿度指標的優化控制。
(3)無擾換堆模型
當原燃料的源頭從一個料垛換成另外一個料垛時,系統立即啟動“換料堆”動作,根據所有投用的混勻礦倉內剩余的物料量,自動對1#-4#各混勻鐵料礦槽下料設定值進行修訂,向配料L1級系統下達控制指令,使各礦槽中上一料垛的物料基本同步配完。同時計算出下一料垛物料在料倉內到達下料口的時間,及時調整相對應的原料成分,減少換堆過程中燒結礦堿度的大幅波動。該模型對不同原料進入配料礦槽的起始時間、礦槽料位、下料量、下料時間等數據進行動態采集、實時計算,并自動調節各礦槽下料量,實現各礦槽中同一料垛的同步切換。智能配料計算模型圖如圖5所示。
圖5 智能配料計算模型圖
3.2 燒結終點位置控制模型
燒結終點位置指混合料從燒結開始到燒結完成所處的位置,實際是由混合料的垂直燒結速度和臺車的水平前進速度共同決定的,如圖6所示。
圖6 混合料與臺車位置示意圖
若已知混合料的垂直燒結速度U,則由料層厚度H,可求出燒結時間:T=H/U。燒結時間T與臺車水平速度V相乘,既可得出終點位置:L=V×T。
(1)燒結終點預測
針對燒結過程的滯后特性,采用多元模糊回歸預測技術和神經網絡預測技術,分別對燒結終點進行預測,經過仿真對比,選取預測精度較高的神經網絡進行燒結終點預測。目前最常見的監測燒結終點的方法是分析抽風機中的廢氣溫度、負壓等物理參數。
(2)燒結終點智能控制模型
建立燒結終點長期預報模型用于為操作者人工操作穩定燒結終點提供定量依據。以燒結正常廢氣溫度拐點以及臺車速度作為輸入,建立燒結終點短期預報數學模型,預報燒結過程終點?;诖藷Y終點預報模型,設計燒結終點(BTP)前饋模糊控制器,將模糊控制策略應用于燒結終點控制系統開發,對燒結終點提前進行控制,能確保燒結終點的穩定性。燒結終點預測模型如圖7所示。
圖7 燒結終點預測模型
通過對燒結終點(BTP)、溫度上升點(BRP)的準確判斷和控制,根據數學模型實時計算燒結終點的位置,并在線調整機速、風量或是微調料厚,將燒結終點控制在目標值的合理范圍內,防止出現終點提前或滯后現象,保證合適的燒結時間,使燒結礦具有較好的強度,減少生產過程人為調控的滯后性和不準確性。
根據臺車風箱中的熱電偶,每隔30s取一次檢測臺車下的廢氣溫度,建立風箱的溫度場,采用最小二乘法進行曲線擬合,計算出當前突然上升點(BRP)和燒結終點(BTP)位置預報,實現BRP和BTP準確判斷,合理而準確地控制燒結終點的位置和溫度,穩定燒結生產過程。
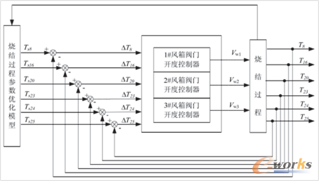
3.3 燃燒一致性模型
為了實現整個燒結過程能夠平穩運行,避免燒結溫度運行曲線與目標曲線的偏差過大,從燒結機風箱廢氣溫度中,選取6個關鍵風箱廢氣溫度作為被控目標。燒結過程溫度控制系統通過調節關鍵風箱抽風口閥門開度,控制6個關鍵風箱廢氣溫度達到目標值,使其燒結過程風箱溫度運行曲線與典型目標曲線一致,從而實現燒結過程平穩運行,并最終有效控制了燒結終點,節約了能耗,提高了燒結礦的產量和質量。
燒結過程控制系統有6個溫度輸入和3個輸出,為多輸入-多輸出(MIMO)控制系統,直接設計如此多變量的模糊控制系統是非常困難的。如果把系統分解為3個子系統,即將多輸入-多輸出的模糊控制器分解成3個多輸入單輸出(MISO)的模糊控制器,那么設計變得簡單,系統容易實現。燒結過程溫度由燒結過程參數優化模型指導優化。燒結過程溫度控制系統結構框圖如圖8所示。
圖8 燒結過程溫度控制系統結構框圖
3.4 返礦平衡模型
根據生產節奏、返礦槽料位以及返礦生成量等發展趨勢,適時調整返礦配比,確保返礦槽料位穩定在一定的上下限范圍。
返礦模型主要是對燒結過程的內循環返礦進行控制,使其在生產過程中達到動態平衡。當生產系統內部返礦平衡系數≠1,且冷返礦量超出配料返礦槽設定的料位范圍時,重新進行排料量設定值計算,修正冷返礦配料量,調節配料皮帶給料機的給料速度,以達到控制料位、保持返礦平衡的目的。同時相應的對配炭量、混合料水分、熔劑配加比例等要根據專家經驗進行自動調整。
圖9 九江線材原料廠3#燒結機DCS主頁面
4 應用效果
本次燒結智能控制系統已在九江線材有限責任公司成功投運,整套系統運行安全穩定,設備利用率大幅提高。本項目鋼鐵燒結智能控制系統的成功投運意義深遠,完全實現了鐵前燒結生產工藝控制與產品指標可控,為推進鋼鐵行業國產化發展注入新的動力,為今后自主可控控制系統的建設奠定了堅實的基礎,具有非常好的的推廣意義。
科遠智慧正奮力抓住國產化替代機遇,打造智能控制系統、信息管理系統和工業互聯網“三大平臺”,著力構建自主可控關鍵核心技術,持續為鋼鐵行業導入最*先進的創新技術和產品,執自主可控之劍為更多鋼鐵企業高質量發展賦能。
摘自《自動化博覽》2022年10月刊
熱門關鍵詞:鋼鐵燒結,自主可控,智能控制系統,DCS
本文轉載自《自動化博覽》,世孚科技本著傳播知識、交流學習的目的進行轉載,為網友免費提供,并已盡力標明作者與來源,不為其版權負責。本網站對有關資料所引致的錯誤、不確或遺漏,概不負任何法律責任。文章及其配圖僅供工程師學習之用,如有內容圖片侵權或者其他問題,請聯系本站作侵刪。
